banner



Electrical Wiring Diagram Of Diesel Generator Pdf / Volvo Xc70 2008 Wiring Diagram Sort Wiring Diagrams Concert

Electrical Wiring Diagram Of Diesel Generator Pdf / Volvo Xc70 2008 Wiring Diagram Sort Wiring Diagrams Concert. Generator control system, canbus, oscilloscope, data logger, multifunction protective relay. The automotive electrical system contains five electrical circuits. Click on the image to enlarge, and then save it to your computer by right clicking on the image. Hz generator set spec no. 690v hyundai generators diagram 21 440v hyundai generators diagram 22.

14 mm2 mm2 b l br g gr v p black blue brown green gray violet pink r w y lb lg o red white yellow light blue light green orange wire size code/wire color 5.5: We have 2 etq 186f manuals available for free pdf download: A wiring diagram is a simplified traditional photographic representation of an electric circuit. The fuel tank is made of steel and incorporated with the electric type gauge. Do not exceed the current limit of any of the sockets on the generator.

Renault Wiring Diagrams Download Free Wiring Diagrams Blog Sunrise
Renault Wiring Diagrams Download Free Wiring Diagrams Blog Sunrise from i.pinimg.com
Tempting to operate the generator. Operating manual parts manuals available online at www.generacmobile.com 33797 c 07/16 diesel generator mmg330di4 • mmg480di4 The fuel tank is made of steel and incorporated with the electric type gauge. Do not operate equipment until reading & understanding owner's manual! 7500 onan diesel generator diagram.pdf free pdf download there could be some typos (or mistakes) below (html to pdf converter made them): Refer to controller identification for controller type identification, if necessary. Do not exceed the current limit of any of the sockets on the generator. If dynamo shows discharge rate then :

If the generator is started without diesel, it will need to be primed again once filled with diesel.

A wiring diagram is a simplified traditional photographic representation of an electric circuit. Generator control system, canbus, oscilloscope, data logger, multifunction protective relay. Hz generator set spec no. The diesel engine and the generator are both potentially extremely hazardous and could cause physical injury or even death if improperly used. Automotive wiring, types of terminals, and wiring diagrams. Lifting the generator set illustration 7 g00309911 location of the safety message for lifting the generator set the safety message for lifting the generator set is located on the engine mounting rails. This manual does not cover diesel engine and alternator maintenance procedures. Charging circuit starting circuit ignition circuit lighting circuit These circuits are as follows (fig. Variety of generator wiring diagram and electrical schematics pdf. Give the manual to the set owner. Assortment of generator wiring diagram and electrical schematics pdf. Pdf documents a format that enables a document to be distributed on different systems while preserving the layout.

Etq 186f owner's manual (89 pages) brand: Starter & battery lead note : The electrical systems on equipment used by the navy are designed to perform a variety of functions. Click for cat control panel sys operation and testing, 208 pages. Electrical shocks can cause personal injury or death.

Electrical Wiring Diagram Toyota Hiace Wiring Diagrams Blog General
Electrical Wiring Diagram Toyota Hiace Wiring Diagrams Blog General from img.autorepairmanuals.ws
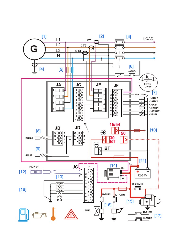
Caterpillar diesel engine electric and electronic manuals at barrington diesel club. If the generator is started without diesel, it will need to be primed again once filled with diesel. High voltage can cause electrical shocks. The above illustrated diesel generator control panel wiring diagram is the typical connection wiring diagram of the bek3 automatic mains failure controller. Agriline diesel massey ferguson 35 wiring diagram diesel 3 cylinder with dynamo (generator) d e a f dynamo ( generator ) note : Generator set schematic, wiring diagram, 4 pages. The electrical systems on equipment used by the navy are designed to perform a variety of functions. 5 55... control devices, gauges, and protective devices.

•if this generator is used to power electrical load circuits normally powered by a utility power source, install a transfer switch.

If dynamo shows discharge rate then : Consult the engine and the alternator operation and maintenance manuals. 4 fill the tank with diesel. Chapter 2 operating the diesel generator. Charging circuit starting circuit ignition circuit lighting circuit The fuel tank is made of steel and incorporated with the electric type gauge. The automotive electrical system contains five electrical circuits. Variety of generator wiring diagram and electrical schematics pdf. Tempting to operate the generator. Automotive wiring, types of terminals, and wiring diagrams. The generator will not run without being filled first. The may cause damage to the generator and also to the wiring in your house as well as the electrical appliances. Caterpillar diesel engine electric and electronic manuals at barrington diesel club.

•if this generator is used to power electrical load circuits normally powered by a utility power source, install a transfer switch. Wiring onan onan generator wiring 4kw onan emerald 3 wiring onan 7500 diagram onan. 5 55... control devices, gauges, and protective devices. High voltage can cause electrical shocks. Type on the wiring diagrams reference chart to determine the wiring diagram numbers for your unit.

Whisperwatt Dac 7000ss Diesel Generator Wiring Diagram Manualzz
Whisperwatt Dac 7000ss Diesel Generator Wiring Diagram Manualzz from s1.manualzz.com
Refer to the wiring diagram supplied with the generator. Generator control system, canbus, oscilloscope, data logger, multifunction protective relay. The fuel tank is made of steel and incorporated with the electric type gauge. Do not operate equipment until reading & understanding owner's manual! One of the reasons for starter Wiring diagram is a schematic drawing of the wiring of an electrical system. 8 mm2 no mark wire size: The automotive electrical system contains five electrical circuits.

690v hyundai generators diagram 21 440v hyundai generators diagram 22.

Refer to the wiring diagram supplied with the generator. We have 2 etq 186f manuals available for free pdf download: Generator set schematic, wiring diagram, 4 pages. 5 55... control devices, gauges, and protective devices. Consult the engine and the alternator operation and maintenance manuals. These circuits are as follows (fig. Type on the wiring diagrams reference chart to determine the wiring diagram numbers for your unit. Click for cat 3406e c10 c12 c15 c16 wiring diagram, 2 pages. Generator control system, canbus, oscilloscope, data logger, multifunction protective relay. The fuel tank is made of steel and incorporated with the electric type gauge. Therefore make certain that you do not overload the generator with too many appliances. Electrical wiring · cummins related searches onan 7500 diesel generator onan 7500 generator diagram Electric wiring diagrams for various models of generators.

0 Response to "Electrical Wiring Diagram Of Diesel Generator Pdf / Volvo Xc70 2008 Wiring Diagram Sort Wiring Diagrams Concert"

Post a Comment

Iklan Atas Artikel

Iklan Tengah Artikel 1

Iklan Tengah Artikel 2

Iklan Bawah Artikel